- >>
- >>
- 15.
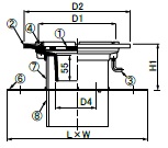
- デッキプレート用 モルタル防水用・塗膜防水用 打込型(エコノミー)
|
- デッキプレート用 モルタル防水用・塗膜防水用 打込型(エコノミー)ルーフドレインの情報ページです。第一機材の製品情報、取扱説明、価格の案内です。
|
 |
第一機材ルーフドレインの販売
|
 |
|

 |
| |
 |
|
| 支払い方法 |
直送送料 |
出荷営業日 |
銀行
振込 |
掛け
後払 |
一部除き本州・四国 2,750円
その他別途お見積り |
通常1~4日
欠品時ご連絡 |
|
|
|
|
| 1-27(P11) |
15 デッキプレート用 モルタル防水用・塗膜防水用 打込型(エコノミー)
|
|
|
|
| 製造終了 |
|
RPEC-DR
屋上用 |
RPED-DR
バルコニー・庇用 |
RPEB-DR
バルコニー中継用 |
RPES-DR
廊下・踊場用 |
 |
 |
 |
 |
 |
 |
 |
 |
|
|
|
|
|
|
|
| 製造終了 |
|
RKECM-DR
屋上用 |
RKEDM-DR
バルコニー・庇用 |
RKEBM-DR
バルコニー中継用 |
RKESM-DR
廊下・踊場用 |
 |
 |
 |
 |
 |
 |
 |
 |
|
|
|
|
|
|
|
| ▼▼ 商品のお見積り・ご注文の際は、本ページ下部のお見積り・ご注文ボタンより下表の「形式」名をご指示ください。
|
|
|
|
| *ルーフドレインご購入の際は、接続用ネジ管等の付属品の発注漏れにご注意ください。 |
|
|
|
|
|
| 「お見積りフォーム」、「ご注文フォーム」からのお申し込みの場合、受付番号が表示されるまで、入力作業を行って下さい。 |
|
|
|
●代金は下記の算出によります。
銀行振込の場合の代金は販売価格の合計+送料 掛払いPaidの場合の代金は販売価格の合計+送料 |
|
●送料
|
|
| 地域 |
送料 |
| 北海道・沖縄県・離島・一部の地域 |
送料はお見積り致します。 |
| 上記以外の地域 |
2,750円 |
|
|
| ●お支払い方法 |
|
銀行振込 (前払い・振込手数料は、お客様がご負担して下さい。)
埼玉りそな銀行(0017) 浦和中央支店(256) 普通 53531 70
名義 カ)ヤマトヤ |
|
掛払いは事業者会員のみとなります。ご希望のお客様はPaid登録手続をお願いいたします。 |
|
| ●主な注意事項 |
|
注:画像の色と実物の色と多少異なることがあります。
注:商品お受け取り時に、破損がないかご確認願います。
注:運送会社の路線便(混載便)になりますので、配達時間の指定はできません 。 |
|
●販売についての注意事項(通信販売の法規・運賃など)
(ご購入前に必ずお読み下さい。) |
|
|
|
|
 |
| NO.231001 |
|